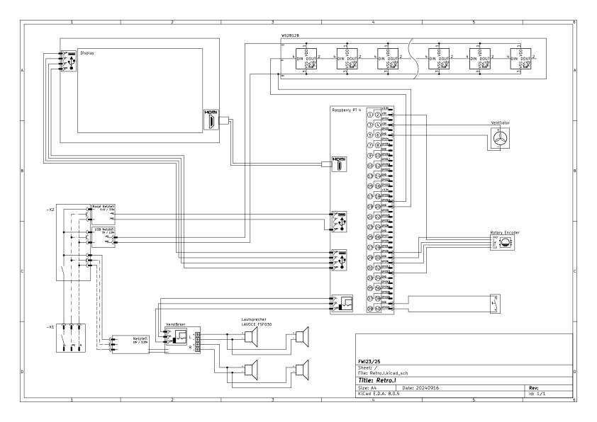
Schaltplan#
Für die technisch Versierten, gäbe es hier auch einen Schaltplan vom Retro.I wie wir den Radio aufgebaut haben.
Zurück zum Benutzerhandbuch
Schaltplan Retro.I#

GPIO-Pin Belegung#
| PIN | Farbe | Verwendung |
|---|---|---|
| 1 | ROT | 3,3V (Lüfter) |
| 2 | BLAU | 5V (Drehregler) |
| 4 | ROT | 5V (Touch-Display) |
| 6 | SCHWARZ | GROUND (Touch-Display) |
| 7 | GELB | CLK (Drehregler Bass UP) |
| 8 | ORANGE | DT (Drehregler Bass DOWN) |
| 9 | SCHWARZ | GROUND (Lüfter) |
| 14 | SCHWARZ | GROUND (Taster Shutdown) |
| 16 | ROT | Daten (Taster Shutdown) |
| 19 | GRÜN | Daten (LED-Streifen) |
| 20 | WEISS | GROUND (LED-Streifen) |
| 23 | GELB | CLK (Drehregler Höhen UP) |
| 24 | ORANGE | DT (Drehregler Höhen DOWN) |
| 30 | LILA | GROUND (Drehregler) |
| 31 | GRÜN | CLK (Drehregler Volume UP) |
| 32 | GELB | DT (Drehregler Volume DOWN) |
| 33 | ORANGE | SW (Drehregler Volume An/Aus) |
| 39 | SCHWARZ | GROUND (Button Trinkspruch) |
| 40 | ROT | Daten (Button Trinkspruch) |
